Popis
Materiál pouze na poptání!
Kontaktujte nás na +420 702 147 634 / info@artalifer.cz
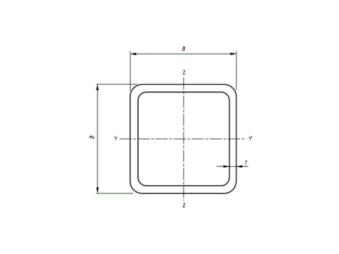
Jekly čtvercové 25x25x2 mm dodáváme standardně v délkách 6000 mm. Využívaný hlavně v zámečnícké výrobě jako jsou konstrukce, brány, branky. Možnost nakrácení délek dle přání zákazníka.
| Norma | ČSN EN 10219-1,2 |
| Značka oceli / materiál | S235JRH |
Buďte první, kdo napíše příspěvek k této položce.
Přidat komentář
